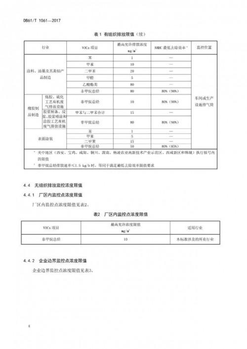
陕西省环境保护厅于2017年1月10日发布《陕西省挥发性有机物排放控制标准》(DB61/T1061-2017)。其中对汽车整车制造、印刷、木质家具制造、医药制造、电子产品制造、涂料、油墨及其类似产品制造、橡胶制品制造、表面涂装这八大重点行业挥发性有机物最高允许排放浓度及最低去除效率进行了严格的规定,同时对企业VOCs排放提出了明确要求。新建企业自2017年2月10日起执行此标准控制要求,现有企业自2018年2月10日起执行此标准控制要求。












陕西省环境保护厅于2017年1月10日发布《陕西省挥发性有机物排放控制标准》(DB61/T1061-2017)。其中对汽车整车制造、印刷、木质家具制造、医药制造、电子产品制造、涂料、油墨及其类似产品制造、橡胶制品制造、表面涂装这八大重点行业挥发性有机物最高允许排放浓度及最低去除效率进行了严格的规定,同时对企业VOCs排放提出了明确要求。新建企业自2017年2月10日起执行此标准控制要求,现有企业自2018年2月10日起执行此标准控制要求。












柔水淬精铝,骏马启新程;国之重器,赛福同行。2月7日,广东赛福以"淬炼·新生"为主题的2026年年会在肇庆新厂盛大举行。全体赛福人欢聚一堂,共忆并肩奋斗时光,同绘未来发展蓝图,用一场满载心意的...
2月2日,南山铝业与福然德股份签署战略合作协议,双方将充分发挥各自核心竞争力,形成"生产-加工-供应链"的协同闭环。在客户渠道拓展、汽车主机厂项目开发中协同合作,保障合作项目的竞争力。在项...
银邦股份公告称,公司收到HOLTEC ASIA PRIVATE LIMITED公司《销售订单》,公司将根据Holtec的实际经营计划,向其供应铝钢复合材料和铝铝复合材料产品,订单金额预计约2.8亿元人民币。该订单属于日...
近日,湖南省发改委公布2026年省重点建设项目和省重点前期工作项目名单,其中,省重点项目389个,包括152个基础设施项目、13个生态环保项目、20个社会民生项目、204个产业发展项目。与铝相关的项...
根据天眼查APP数据显示豪美新材(002988)新获得一项发明专利授权,专利名为"一种汽车吸能盒用再生铝合金材料及其制备方法",专利申请号为CN202310920479.X,授权日为2026年2月3日。专利摘要: 本发...
据巴林国家通讯社(BNA)报道,铝合金是巴林2025年第四季度最大的非石油出口产品。2025年四季度,巴林未锻造铝合金出口收入达3.06亿巴林第纳尔(按当前汇率折合8.07亿美元),占出口总额的29%。其他...
外媒2月2日消息: 在全球关键金属市场供应本已紧张之际,欧盟正酝酿新一轮对俄制裁,意图进一步扼住俄罗斯经济的战略咽喉。知情人士透露,欧盟正考虑全面禁止进口俄罗斯的铜及铱、铑、铂等铂族金...
2月3日,中国有色金属工业协会以线下线上相结合的形式召开2025年有色金属工业运行情况新闻发布会。中国有色金属工业协会党委常委、副会长兼新闻发言人陈学森通报2025年我国有色金属工业运行情...
印度国家铝业(NALCO)发布2026财年三季报显示,2026财年前九个月(2025年4月1日-2025年12月31日),公司净利润和营业收入分别为409.8亿卢比和1283亿卢比,而上一财年同期分别为324.6亿卢比和1152亿...
2026年1月30日,都氏集团都小平董事长携同吴小永总、史志立总、郭卫华总、刘波主任赴内蒙古兴安盟乌兰浩特市考察调研。上午11点19分,在兴安盟盟委书记苏和、兴安盟盟委副书记、盟长于吉顺等当...
1月31日,广西熙悦(田林)年产10万吨铝型材深加工项目合作签约仪式在县政府二楼会议室举行,标志着田林县铝产业向深加工、高端化转型迈出关键一步。据悉,该项目总投资约8亿元,主要聚焦高端建筑铝...
2026年1月28日,四川启明星铝业公司电解质粉料仓改造项目正式进场施工,标志着公司在新一年项目建设中迎来重要开局。该项目旨在有效控制原铝中关键杂质铁、硅含量之和在0.10%以下,以满足客户在...
1月30日晚间,江西志特新材料股份有限公司(以下简称"志特新材")公告称,预计2025年归属于上市公司股东的净利润为1.60亿元至2.00亿元,比上年同期增长117.11%至171.39%。报告期内,公司持续夯实经...
利源股份1月30日发布业绩公告,预计2025年度归属于上市公司股东的净利润亏损1.5亿元-2.3亿元,上年同期亏损7.18亿元,同比亏损收窄。公司固定资产减值比上年同期大幅减少,预计2025年度同比减亏。
宏桥控股1月30日晚间披露2025年度业绩预告,预计2025年归母净利润170亿元至200亿元,上年同期盈利172.28亿元;扣非净利润亏损3亿元至4.1亿元,上年同期亏损8625.91万元;基本每股收益1.3046元/股...
1月30日,跃岭股份发布公告称,公司预计2025年度归属于上市公司股东的净利润为1200万元至1800万元,比上年同期下降61.86%至74.57%。